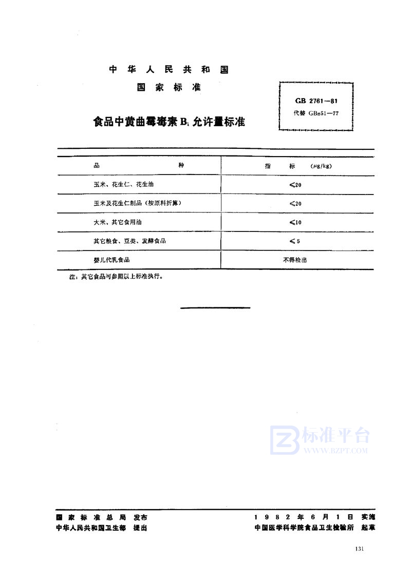
标准号:GB 2761-1981
标准名称:食品中黄曲霉毒素B1允许量标准
发布日期:1981-09-23
实施日期:1982-06-01
废止日期:2005-10-01
起草单位:中国医科院食品卫生检验所
本标准规定了食品中黄曲霉素B1允许量。

标准号:GB 2761-1981
标准名称:食品中黄曲霉毒素B1允许量标准
发布日期:1981-09-23
实施日期:1982-06-01
废止日期:2005-10-01
起草单位:中国医科院食品卫生检验所
本标准规定了食品中黄曲霉素B1允许量。

声明:资源收集自网络分享,所提供的电子版文档仅供学习参考,如侵犯您的权益,请联系我们处理。
不能下载?报告错误