标准号:GB/T 897-1988
标准名称:双头螺柱 bm=1d
代替标准:GB 897-1976
发布日期:1988-02-06
实施日期:1989-01-01
批准发布部门:中国机械工业联合会
归口单位:全国紧固件标准化技术委员会
起草单位:机械委标准化所
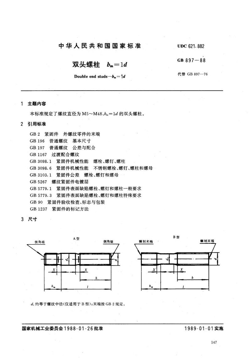
本标准规定了螺纹直径为M5~M48、bm=1d的双头螺柱。

标准号:GB/T 897-1988
标准名称:双头螺柱 bm=1d
代替标准:GB 897-1976
发布日期:1988-02-06
实施日期:1989-01-01
批准发布部门:中国机械工业联合会
归口单位:全国紧固件标准化技术委员会
起草单位:机械委标准化所
本标准规定了螺纹直径为M5~M48、bm=1d的双头螺柱。

声明:资源收集自网络分享,所提供的电子版文档仅供学习参考,如侵犯您的权益,请联系我们处理。
不能下载?报告错误