标准号:GB 12671-1990
标准名称:聚苯乙烯树脂
发布日期:1990-12-30
实施日期:1991-10-01
废止日期:2009-04-01
起草单位:兰州化工公司合成橡胶厂
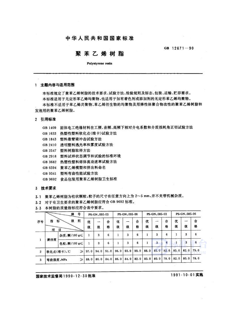
本标准规定了聚苯乙烯树脂的技术要求、试验方法、检验规则及标志、包装、运输、贮存要求。本标准适用于无定形苯乙烯均聚物,也适用于加有着色剂或添加剂的无定形苯乙烯均聚物。本标准不适用于苯乙烯共聚物、苯乙烯衍生物的均聚物及用弹性体聚合物改性的聚苯乙烯树脂和发泡用的聚苯乙烯树脂。

标准号:GB 12671-1990
标准名称:聚苯乙烯树脂
发布日期:1990-12-30
实施日期:1991-10-01
废止日期:2009-04-01
起草单位:兰州化工公司合成橡胶厂
本标准规定了聚苯乙烯树脂的技术要求、试验方法、检验规则及标志、包装、运输、贮存要求。本标准适用于无定形苯乙烯均聚物,也适用于加有着色剂或添加剂的无定形苯乙烯均聚物。本标准不适用于苯乙烯共聚物、苯乙烯衍生物的均聚物及用弹性体聚合物改性的聚苯乙烯树脂和发泡用的聚苯乙烯树脂。

声明:资源收集自网络分享,所提供的电子版文档仅供学习参考,如侵犯您的权益,请联系我们处理。
不能下载?报告错误