标准号:GB 12983-1991
标准名称:国旗颜色标准样品
发布日期:1991-05-25
实施日期:1991-12-01
废止日期:2004-07-01
批准发布部门:全国气瓶标准化技术委员会
归口单位:全国气瓶标准化技术委员会
起草单位:大连市锅炉压力容器检验研究所、北京经济学院、大连理工大学化工学院、北京市氧气厂
起草人:孙萍辉、赵绂、庄胜强、文树德、马有福、朱杰
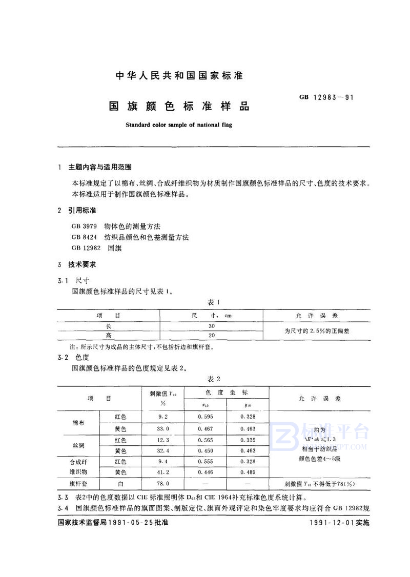
本标准规定了以棉布、丝绸、合成纤维织物为材质制作国旗颜色标准样品的尺寸、色度的技术要求。
本标准适用于制作国旗颜色标准样品。
