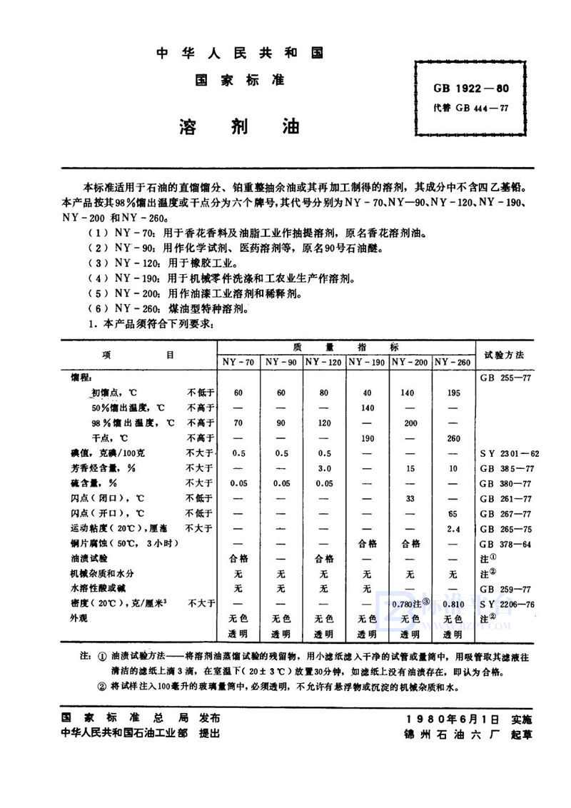
标准号:GB 1922-1980
标准名称:溶剂油
发布日期:1980-04-07
实施日期:1980-06-01
废止日期:2007-01-02
起草单位:锦州石油六厂
本标准适用于石油的直馏馏分、铂重整抽余油或其再加工制得的溶剂,其成分中不含四乙基铅。

标准号:GB 1922-1980
标准名称:溶剂油
发布日期:1980-04-07
实施日期:1980-06-01
废止日期:2007-01-02
起草单位:锦州石油六厂
本标准适用于石油的直馏馏分、铂重整抽余油或其再加工制得的溶剂,其成分中不含四乙基铅。

声明:资源收集自网络分享,所提供的电子版文档仅供学习参考,如侵犯您的权益,请联系我们处理。
不能下载?报告错误